发布时间:2025-10-13 03:00:00来源:http://hz.szxunrui.cn/news1079834.html
迅瑞创芯科技有限公司为您免费提供惠州马达驱动IC,惠州LED手电筒控制IC、惠州触摸IC、DCDC升压IC、电源管理IC等相关芯片信息发布和资讯展示,敬请关注!
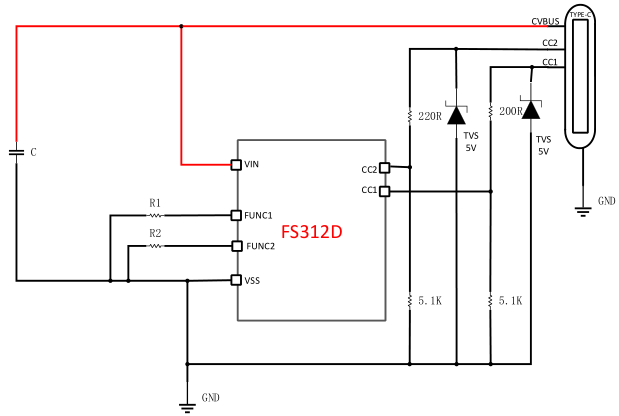
USB Type-C PD3.2快充协议智能触发芯片 FS312D
FS312D 可是个“社交达人”,它能和各类 USB Type-C 设备“打成一片”,自动识别充电协议。再也不用担心充电器不兼容啦!
芯片内置“智能大脑”,通过 FUNC1/FUNC2 引脚设置申请电压。如果充电器不支持这个电压,它还会自动降档,找到最接近的电压,确保设备始终能充电。简直是“充电界的贴心小助手”!
支持 5V、9V、12V、15V、20V 多种电压输出,适配不同设备的充电需求。无论是手机、平板还是笔记本,它都能轻松应对,真正做到“一芯在手,充电无忧”。
芯片供电可以直接连接高压电源,省去了额外的 LDO,让电路设计更简单,成本更低。设计师们,你们的福音来了!
别看它身材小巧(SOT23-6 封装),能量可大着呢!适合各种空间受限的应用场景,比如转换头、线材等。小巧玲珑,却功能强大,简直是“充电界的迷你超人”!
芯片抗静电能力超强(ESD HBM ±4KV),工作温度范围广(-40°C ~ 105°C),无论是寒冷的冬天还是炎热的夏天,它都能稳定工作,简直是“充电界的硬汉”!

迅瑞创芯科技有限公司专业研发供应各类马达驱动芯片和电源管理芯片,主要有惠州马达驱动IC、惠州LED手电筒控制IC、 惠州触摸IC、 DCDC升压IC、电源管理IC等品质优良的产品及报价,欢迎来电生产定制!
相关新闻recommendation