-
惠州防丢器模块方案 蓝牙防丢器方案 芯片电路板 追踪器地图定位防盗 双向报警防丢器定制开发方案
发布时间:2021-06-08防丢器模块方案 蓝牙防丢器方案 芯片电路板 追踪器地图定位防盗 双向报警防丢器定制开发方案软件介绍手机蓝牙防丢器app是一款非常精准的安卓定位软件,可以帮助您在找不到手机的时候及时找到手机,不用再担心找不到手机了,手机蓝牙防丢器APP还有个...
查看详情 -
惠州APP智能蓝牙多色灯方案 /BLE蓝牙智能幻彩灯控方案 /智能照明系统方案 /低能耗幻彩灯方案
发布时间:2021-06-06APP智能蓝牙多色灯方案 /BLE蓝牙智能幻彩灯控方案 /智能照明系统方案 /低能耗幻彩灯方案?智能幻彩灯是一款基于讯瑞创芯科技公司的超低成本短距离无线控制幻彩灯解决方案 1.主控芯片,蓝牙收发、灯条驱动,一芯二用,完美控制各种模式切...
查看详情 -
惠州防丢器模块方案 蓝牙防丢器方案 芯片电路板 追踪器地图定位防盗 双向报警防丢器方案
发布时间:2021-06-04深圳市迅瑞创芯科技有限公司联系人:黄小姐手机:18938954687电话:0755-86003350QQ:323756040地址:宝安西乡流塘路好运来商务大厦B座8-013C室防丢器模块方案 蓝牙防丢器方案 芯片电路板 追踪器地图定位防盗 ...
查看详情 -
FM116C直流尾翼马达-舵机惠州马达驱动IC,替代FM116B
发布时间:2021-04-21FM116C直流尾翼马达-舵机马达驱动IC概述FM116C 是专为驱动小电流直流马达而设计的集成电路,该电路采用 SOT23-6 微型封装,为对空间敏感的系统设计提供理想选择。电路采用 H 桥结构, 内置功率 MOSFET 开关,可实现对负...
查看详情 -
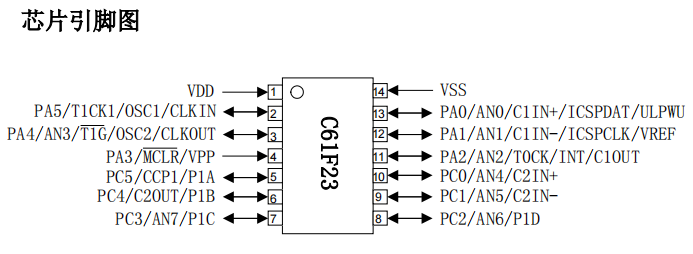
MCU单片机C61F23,惠州PIN对PIN完全兼容PIC16F684
发布时间:2021-04-15MCU单片机C61F23,PIN对PIN完全兼容PIC16F684一、概述本芯片为哈佛结构的精简指令 CPU。在这种结构中,程序和数据存取的总线是相互独立的。指令字节长度为 16 位,所有指令都是单字节指令,大多数指令能在一个机器周期内执行...
查看详情 -
惠州LED手电筒驱动IC电路的工作原理是怎么回事
发布时间:2021-03-14LED手电筒驱动IC电路的工作原理是怎么回事:市场上有便宜的LED手电筒驱动IC。该手电筒的前端有5至8个高亮度发光管,并使用了1至2个电池。由于使用超高亮度发光管,发光效率非常高,工作电流相对较小。实际测试使用AA电池5头手电筒,电流仅为...
查看详情



服务热线
公司地址:
公司邮箱: