-
惠州三相无刷马达驱动芯片 SA8370;小家电马达驱动芯片
发布时间:2025-02-12三相无刷马达驱动芯片 SA8370;小家电马达驱动芯片描述 SA8370是为消费类产品,智能硬件和其他低压或者电池供电的运动控制类应用提供了一个集成的电机驱动器解决方案。此器件能够驱动一个三相直流无刷电机,由一个内部电荷泵生成所需的栅极驱动...
查看详情 -
单通道 2.7-15.0V 持续电流 2.5A 惠州H桥驱动芯片SA8317E,带短路保护驱动IC
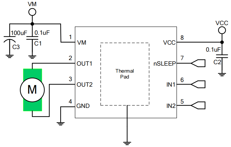
发布时间:2025-01-22单通道 2.7-15.0V 持续电流 2.5A H桥驱动芯片SA8317E,带短路保护驱动IC描述 SA8317E是为消费类产品,小家电和其他低压或者电池供电的运动控制类应用提供了一个集成的电机驱动器解决方案。此器件能够驱动一个直流电机,由...
查看详情 -
多功能惠州应急手电筒方案开发,手电筒驱动芯片厂家
发布时间:2024-12-25多功能应急手电筒方案开发,手电筒驱动芯片厂家深圳市迅瑞创芯科技有限公司是一家集电路软硬件研发,销售为主的高新科技企业。公司专注于电源领域提供各种高端芯片和电源解决方案,销售电源管理IC:手电筒驱动IC、蓝牙IC、马达驱动IC、稳压LDO、升...
查看详情 -
SA8344 惠州H桥驱动芯片参数怎么样?单通道 4.5-25.0V 持续电流 2.5A马达驱动芯片有那些
发布时间:2024-12-08SA8344 H桥驱动芯片参数怎么样?单通道 4.5-25.0V 持续电流 2.5A马达驱动芯片有那些描述 SA8344是为消费类产品,智能硬件和其他低压或者电池供电的运动控制类应用提供了一个集成的电机驱动器解决方案。此器件能够驱动一个直流...
查看详情 -
SA8304单通道有刷直流电机驱动芯片,惠州H桥驱动芯片,2.0-7.0V 持续电流 3.0A
发布时间:2024-12-03SA8304单通道有刷直流电机驱动芯片,H桥驱动芯片,2.0-7.0V 持续电流 3.0A描述 SA8304是为消费类产品,玩具和其他低压或者电池供电的运动控制类应用提供了一个集成的电机驱动器解决方案。此器件能够驱动一个直流无刷电机,由功率...
查看详情 -
250V 惠州三相栅极驱动芯片有那些?SA6288三相电机驱动芯片怎么样
发布时间:2024-11-28250V 三相栅极驱动芯片有那些?SA6288三相电机驱动芯片怎么样描述SA6288是一款集成了三个独立半桥栅极驱动器,特别适合于三相电机应用中高速功率MOSFET和IGBT的栅极驱动。可在高达250V电压下工作。SA6288内置VCC和V...
查看详情



服务热线
公司地址:
公司邮箱: