-
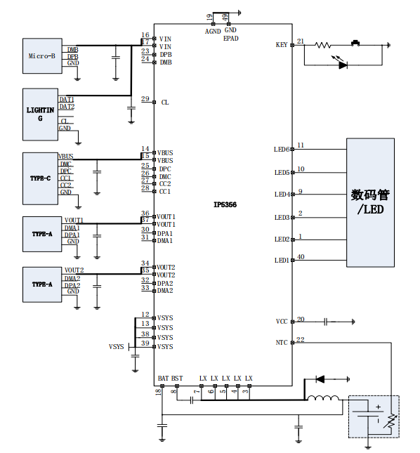
IP5356支持高低压SCP、双向PD3.0等全部快充协议的惠州移动电源SOC
发布时间:2024-05-10IP5356支持高低压SCP、双向PD3.0等全部快充协议的移动电源SOC特性 * 同时支持多个 USB 口 2 个 USB A 口输出 1 个 USB B 口输入 1 个 USB C 口输入/输出 1 个 lightning 输入口* ...
查看详情 -
SM5308惠州放电高集成度移动电源SOC
发布时间:2022-06-24SM5308放电高集成度移动电源SOC;充电宝芯片/移动电源引脚兼容:IP5306 FM5324 PB0059E ,比ip5306待机功耗更低 比FM5324效率更好2.4A同步升压转换,2.1A同步开关充电升压效率高达92% 充电效率高达...
查看详情



服务热线
公司地址:
公司邮箱: