-
XR8141B惠州双通道LED驱动芯片,线性恒流驱动,每通道最大500mA驱动电流,并联使用最大可达1A
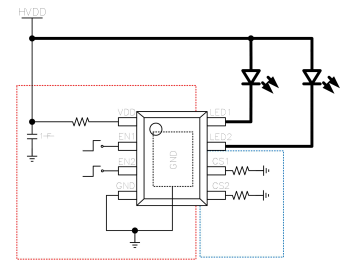
发布时间:2026-04-19XR8141B双通道LED驱动芯片,线性恒流驱动,每通道最大500mA驱动电流,并联使用最大可达1A1.产品特点*3.7V~18V 宽电压工作*最低工作电压3.7V,支持电池供电*芯片关闭时 ,静态电流仅0.6uA*单路最大恒流500mA,...
查看详情 -
XR8141B 惠州双通道LED驱动芯片, 线性恒流驱动,单路最大恒流500mA,双路并联可达1A
发布时间:2026-01-05XR8141B 双通道LED驱动芯片, 线性恒流驱动,单路最大恒流500mA,双路并联可达1A1.产品特点*3.7V~18V 宽电压工作*最低工作电压3.7V,支持电池供电*芯片关闭时 ,静态电流仅0.6uA*单路最大恒流500mA,双路并...
查看详情



服务热线
公司地址:
公司邮箱: